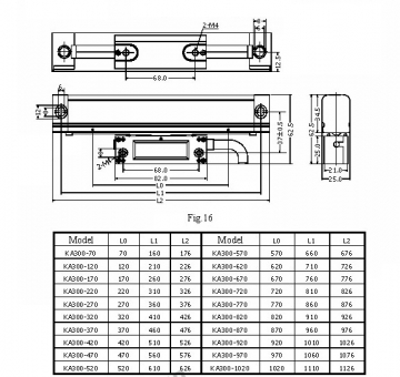
Оптическая линейка KA300-470mm 1μm

Количество:
Цена: 17 190 руб.
Нет в наличии
Код товара: 6869

Оптическая линейка КА-300 является одним из востребованных продуктов за счет удачно выполненной конструкции и пропорциональных размеров, что обеспечивает ее жесткость.

Данный тип оптических линеек часто применяется в станках как фрезерной, так и токарной группы, а так же востребован в тех устройствах и агрегатах, где необходима обратная связь и точность позиционирования  при линейном перемещении. Если необходимо только отображение физически пройденного расстояния, например в станках с ручным приводом движения осей,  данная оптическая линейка может использоваться совместно с какой-либо системой индикации.

Рабочая длина (мм) 470
Сечение (мм) 25х34
Дискретность (мкм) 1 мкм (0.5* мкм, 1* мкм)
Референтные метки 1 метка каждые 50 мм
Максимальная скорость измерения 60 м/мин
Выходной сигнал TTL(+5В (±5%) 80мА)
Мощность + 5 В ± 5%, 80 мА
Длина кабеля 3 м
Рабочая температура 0~45°C
Тип защиты IP55

Подписка на товар