Оптическая линейка KA300-1020mm 5μm

Количество:
Цена: 12 750 руб.
Нет в наличии
Код товара: 5823

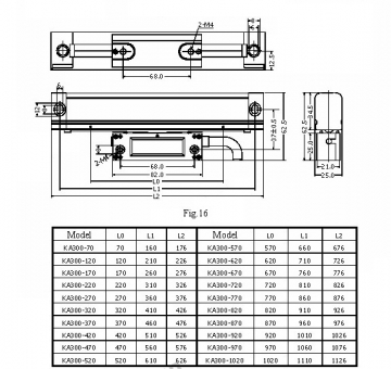
Оптическая линейка КА-300 является одним из востребованных продуктов за счет удачно выполненной конструкции и пропорциональных размеров, что обеспечивает ее жесткость.

Данный тип оптических линеек часто применяется в станках как фрезерной, так и токарной группы, а так же востребован в тех устройствах и агрегатах, где необходима обратная связь и точность позиционирования  при линейном перемещении. Если необходимо только отображение физически пройденного расстояния, например в станках с ручным приводом движения осей,  данная оптическая линейка может использоваться совместно с какой-либо системой индикации.

Дискретность, мкм

5

Рабочее напряжение

+5 В (±5%) 80 мА

Рабочий ход, мм

1020

Тип выходного сигнала

TTL

Референтная метка

отсутствует

Рабочая температура, °С

0–45

Максимальная скорость перемещения, м/мин

120

 

Подписка на товар