Модуль скольжения SGB15-4, RSM152

Количество:
Цена: 1 510 руб.
Код товара: 13987

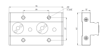
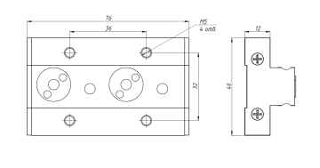
Модуль опорный SGB. Конструкция представляет собой основание из алюминиевого сплава, на которое установлено четыре стальные закаленные ролика качения. Два ролика в фиксированном положении и два с эксцентриками, это позволяет настраивать любой преднатяг. Направляющие такого типа используются для создания систем линейных перемещений, где необходима легкость и точность конструкции.

Обозначение:

SGB15-4

Серия:

SG

Типоразмер:

15

Количество роликов:

4

Блокировка:

нет

Совместимые направляющие: SGR15