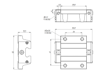
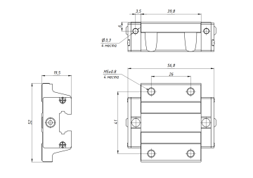
Модуль опорный Hiwin EGW15CCZAH

Взаимозаменяемый модуль опорный (каретка низкопрофильная) HIWIN серии EG состоит из корпуса, в котором расположены 2 ряда металлических шариков, их перемещение происходит в замкнутом контуре. Для смазки предусмотрены отверстия, в которые вворачивается пресс-масленка.

Применение линейных направляющих HIWIN в станках с ЧПУ позволяет обеспечить высокую точность и плавность перемещения рабочего инструмента. Это особенно актуально при выполнении сложных операций, таких как обработка кромок, сверление отверстий и создание сложных геометрических форм.

HIWIN – это известный производитель высококачественных линейных направляющих и систем перемещения. Продукция компании отличается высокой точностью, надёжностью и долговечностью, что делает её идеальным выбором для использования в различных отраслях промышленности.

Производитель: HIWIN         
Обозначение: EGW15CCZAH
Серия: EG - низкопрофильная
Тип: W - фланцевая
Типоразмер: 15
Нагрузка: C - высокая
Тип крепления каретки: С - крепление сверху или снизу
Преднатяг: ZA: 0,03×C ÷ 0,05×C (легкий натяг)
Базовая динамическая нагрузка С: 7,83 кН
Базовая статическая нагрузка С0: 16,19 кН
Класс точности: H - высокий
Допустимое отклонение по высоте: ±0,03 мм
Допустимое отклонение по ширине: ±0,03 мм