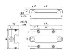
Модуль опорный Hiwin QEH20CA

HIWIN — это известный производитель высококачественных линейных направляющих и систем перемещения. Продукция компании отличается высокой точностью, надёжностью и долговечностью, что делает её идеальным выбором для использования в различных отраслях промышленности.

Применение линейных направляющих HIWIN в станках с ЧПУ позволяет обеспечить высокую точность и плавность перемещения рабочего инструмента. Это особенно актуально при выполнении сложных операций, таких как обработка кромок, сверление отверстий и создание сложных геометрических форм.

Взаимозаменяемый модуль опорный (каретка) HIWIN серии QE состоит из корпуса, в котором расположены 2 ряда металлических шариков, их перемещение происходит в замкнутом контуре. Серия QE с технологией SynchMotionTM обладает всеми преимуществами серии EG, а также предлагает плавное и бесшумное перемещение, превосходную смазку и длительный срок службы. Для смазки предусмотрены отверстия, в которые вворачивается пресс-масленка. Серия QE взаимозаменяема с серией EG.

Производитель:

HIWIN         

Обозначение:

QEH20CAZ0C

Серия:

QE – низкопрофильная, низкошумная

Тип:

H - прямоугольная

Типоразмер:

20

Нагрузка:

C - высокая

Тип крепления каретки:

A - крепление сверху

Преднатяг:

Z0: 0 ~ 0,02C, где C - динамическая нагрузка (очень легкий натяг)

Базовая динамическая нагрузка С:

16,5 кН

Базовая статическая нагрузка С0:

20,21 кН

Класс точности:

С - нормальный

Допустимое отклонение по высоте:

±0,1 мм

Допустимое отклонение по ширине:

±0,1 мм