Многоканальный драйвер шаговых двигателей LPT-DRV 1.02

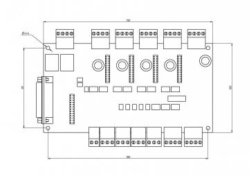
Mодульный микрошаговый драйвер шагового двигателя LPT-DRV ver.1.02 состоит из платы согласования, в которую устанавливаются съемные силовые модули. Изделие позволяет подключить к персональному компьютеру через LPT порт полный комплект датчиков и исполнительных узлов станка с ЧПУ.

Подключаемые устройства:

•До 4 независимых осей на основе двухфазных биполярных либо униполярных в биполяр¬ном режиме шаговых двигателей (далее ШД).

•Шпиндель, управляемый аналоговым либо ШИМ-сигналом.

•Дополнительная зависимая ось (через внешний драйвер, приобретаемый отдельно).

•До 2 устройств, подключаемых к силовым выходам (помпа СОЖ, шпиндель без программного управления скоростью либо иные устройства).

•До 4 концевых выключателей.

•Кнопка аварийной остановки.

•Вентилятор.

Изделие работает со стандартными управляющими сигна-лами Step, Dir, Enable и поддерживается наиболее распространенными управляющими программами (ArtSoft Mach3, LinuxCNC и другими).

Драйвер оптимально подходит для построения станка на основе униполяр¬ных и биполярных шаговых двигателей серий 42H и 57H. Возможна работа с другими ШД.

Отличительной особенностью модульной конструкции изде-лия является простота ремонта. Замена поврежденных силовых модулей может осуществляться пользователем.

Комплект поставки:

Плата согласования LPT-DRV — 1 шт.

Силовой модуль — от 3 шт.

Количество каналов, шт

4

Реле управления работой шпинделя

Да

Совместимость

Mach3

Интерфейс подключения

LPT

Возможность подключения дополнительной оси

Да 5й