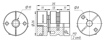
Муфта CD-26-35-6-8 (TM2)

Количество:
Цена: 750 руб.
Код товара: 15923

Муфты мембранные серии CD предназначены для компенсации взаимной несоосности валов до 2.5°. В конструкции муфт в качестве передающего момент элемента применяются стальные мембраны, что обуславливает более высокий крутящий момент и угол компенсации по сравнению с муфтами других серий.

Наружный диаметр муфты, мм:

26

Длина муфты, мм:

35

Диаметр вала 1, мм:

6

Диаметр вала 2, мм:

8

Номинальный вращающий момент, Н*м:

2

Максимальный вращающий момент, Н*м:

4

Максимальная скорость вращения, об/мин:

12000

Радиальное смещение валов, мм:

0,2

Угловое смещение валов, °:

2,5

Количество винтов:

2

Резьба винта:

М3