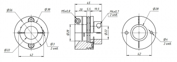
LEDC-1-B-56-45-22-28

Количество:
Цена: 2 070 руб.
Код товара: 10287

     Муфта применяется в узлах, где требуется компенсация несоосности валов и угла между валами. Передает высокий крутящий момент, обеспечивает безлюфтовую передачу, обладает большой скоростью вращения.

Наименование

d1, мм

d2, мм

D, мм

L, мм

М

Момент, Н*м

Макс момент, Н*м

Центровка, мм

Несоосность

Скорость, об/мин

LEDC-1-B-56-45-22-28

22

28

56

45

4/5

28,8

48

±0.1

4 500