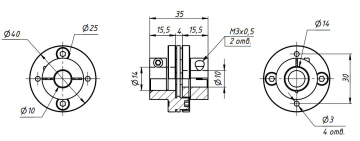
LE1-B-40-35-14-10

Количество:
Цена: 1 335 руб.
Код товара: 10285

Муфта применяется в узлах, где требуется компенсация несоосности валов и угла между валами. Передает высокий крутящий момент, обеспечивает безлюфтовую передачу, обладает большой скоростью вращения.

Наименование

d1, мм

d2, мм

D, мм

L, мм

М

Момент, Н*м

Макс момент, Н*м

Центровка, мм

Несоосность

Скорость, об/мин

LE1-B-40-35-14-10

14

10

40

35

3

13,2

22

±0.1

4 500