CLG-44x50-14x16

Количество:
Цена: 3 700 руб.
Код товара: 10343

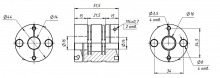
Муфты мембранные соединительные серии CLG предназначены для компенсации взаимной несоосности валов. В конструкции муфт в качестве передающего момент элемента применяются стальные мембраны, что обуславливает более высокий крутящий момент и угол компенсации по сравнению с муфтами других серий.

Наименование

d1, мм

d2, мм

D, мм

L, мм

Момент номинальный, Н*м

Центровка, мм

Несоосность

Скорость, об/мин

CLG-44x50-14x16

14

16

44

51.5

22

±0,2

1.5°

10 000