Лазерная трубка SPT C-150 150-170 Вт

Лазерная трубка SPT C-150 150-170 Вт - представляет собой доступное и надежное решение для лазерной резки и гравировки неметаллических материалов, таких как дерево, пластик, фанера, кожа и прочее. Она обеспечивает высокую мощность и стабильность лазерного луча, что позволяет получать точные и чистые результаты работы.

Особенности:

- Срок службы лазерной трубки - до 10 000 часов непрерывной работы;

- Высокая надежность и низкая интенсивность отказов;

- Стабильная выходная мощность;

- Контактные провода уже припаяны на заводе к электродам;

- Высоковольтный разъем в комплекте с трубкой, что гарантирует высокую надежность соединения и упрощает процесс подключения лазерной трубки.

Режимы резания лазерных трубок SPT

Режимы резания лазерных трубок SPT

 Модель: C150

 Номинальная мощность: 150 Вт

 Длина волны: 10,6 мкм

 Максимум. мощность: 180 Вт

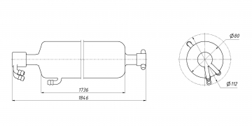
 Длина: 1850 ± 5 мм

 Стабильность: ≤±5%

 Диаметр: 80 ± 1 мм

 Режим возбуждения: электрическое возбуждение    

 Напряжение зажигания: 27-29кВ

 Охлаждение: с водяным охлаждением 15-25 ℃

 Угол расходимости луча: 3,1 мрад    

 Рабочее напряжение: 19-20кВ

 Модулированная частота: ≤3 кГц

 Качество луча: ≤1,1

 Ток зажигания: 6-7 мА

 Вес нетто: 3,76 кг

 Рабочий ток: 25-30 мА

 Лазерный режим: режим с несколькими низкими порядками

 Диаметр пятна: 6 ± 1 мм

 Размер коробки: 1980*173*155 мм