Лазерная трубка LASEA F4 100-120 Вт

Лазерная трубка LASEA F4 100-120 Вт является ключевым компонентом оптической системы лазерных станков. Это оборудование эффективно используется для гравировки, маркировки и резки широкого спектра неметаллических материалов, таких как дерево, пластик, фанера, кожа и прочее.

Модель F4 имеет трёхконтурный герметичный корпус, покрытый изнутри катализатором. В двух контурах находится газовая смесь с преобладанием CO2, а в третьем — жидкий хладагент.

Особенности:

- Срок службы лазерной трубки до 6 000 часов;

- Стеклянный корпус лазерной трубки повышенной герметичности изготовлен на заводе в Германии;

- Катализирующее покрытие трубки обеспечивает стабильное лазерное излучение;

- Лазерный луч легче достигает моды TEM00, что значительно повышает точность гравировки и скорость резки материалов

- Контактные провода уже припаяны на заводе к электродам, что гарантирует высокую надежность соединения и упрощает процесс подключения лазерной трубки.

Режимы резания лазерных трубок LASEA

Режимы резания лазерных трубок LASEA

Производитель

LASEA EFR LASER

Модель

F4

Мощность номинальная, Вт

100

Мощность максимальная, Вт

120

Номинальный рабочий ток, мА

28

Максимальный рабочий ток, мА

30

Напряжение розжига, кВ

24

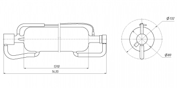
Длинна, мм

1450

Диаметр, мм

80

Тип газовой смеси

CO2-N2-He

Длина волны, нм

10,6

Тип охлаждения

Жидкостное

Рекомендуемая охлаждающая жидкость

Дистиллированная вода

Минимальная скорость потока, л/мин

3-5

Наработка, в часах

6 000 (при рабочем токе ≤28 мА)

Рекомендуемые источники питания

PS-100, PS-ES100, PS-N100

Размер упаковки (ДхШхВ)

1,61х0,3х0,3 м

Вес нетто, кг

2,8