Лазерная трубка LASEA F2 80-95 Вт

Лазерная трубка LASEA F2 80-95 Вт является ключевым компонентом оптической системы лазерных станков. Это оборудование эффективно используется для гравировки, маркировки и резки широкого спектра неметаллических материалов, таких как дерево, кожа, пластик(10-12мм), фанера(8-10мм)

Представляет собой трехконтурную колбу из стекла, внешняя и внутренняя полость которой заполнены газосмесью (в основе СО2, дополнительные He и N). Центральная емкость предназначена для жидкости, выступающей в роли охладителя.

Внутренняя поверхность колбы лазерной трубки этой серии покрыта специальным катализирующим составом, что обеспечивает мощное и стабильное излучение на протяжении всего срока службы.

Производительность данной трубки на 30 % выше, чем у аналогичных моделей других производителей с такими же размерами. Важной деталью комплектации являются уже припаянные провода — это существенно упрощает процесс сборки оборудования.

Особенности:

- Срок службы лазерной трубки до 6 000 часов;

- Стеклянный корпус лазерной трубки повышенной герметичности изготовлен на заводе в Германии;

- Катализирующее покрытие трубки обеспечивает стабильное лазерное излучение;

- Лазерный луч легче достигает моды TEM00, что значительно повышает точность гравировки и скорость резки материалов

- Контактные провода уже припаяны на заводе к электродам, что гарантирует высокую надежность соединения и упрощает процесс подключения лазерной трубки.

Режимы резания лазерных трубок LASEA

Режимы резания лазерных трубок LASEA

Производитель

LASEA EFR LASER

Модель

F2

Мощность номинальная, Вт

80

Мощность максимальная, Вт

95

Номинальный рабочий ток, мА

28

Максимальный рабочий ток, мА

28

Напряжение розжига, кВ
19

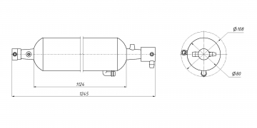
Длина, мм

1250

Диаметр, мм

80

Тип газовой смеси

CO2-N2-He

Длина волны, нм

10,6

Тип охлаждения

Жидкостное

Рекомендуемая охлаждающая жидкость

Дистиллированная вода

Минимальная скорость потока, л/мин

3-5

Наработка, в часах

6 000 (при рабочем токе ≤28 мА)

Рекомендуемые источники питания

PS-80, PS-ES80, PS-N80

Размер упаковки (ДхШхВ)

1,41х0,3х0,3 м

Вес нетто, кг

2,5