Лазерная трубка LASEA CL800 40-50 Вт

Лазерная трубка LASEA CL800 40-50 Вт является ключевым компонентом оптической системы лазерных станков. Это оборудование эффективно используется для гравировки, маркировки и резки широкого спектра неметаллических материалов, таких как дерево, пластик, фанера, кожа и прочее.

Конструктивно трубка представляет собой герметичную колбу из прочного стекла. Внутреннее пространство разделено на несколько контуров: один заполнен газовой смесью с преобладанием CO2, а другой содержит охлаждающую жидкость, которая циркулирует по всей колбе, предотвращая перегрев газовой смеси во время работы станка.

Особенности:

- Срок службы лазерной трубки до 3 000 часов;

- Высокая надежность и низкая интенсивность отказов;

- Катализирующее покрытие трубки обеспечивает стабильное лазерное излучение;

- Лазерный луч достигает 95% моды TEM00, что значительно повышает точность гравировки и скорость резки материалов;

- Размер лазерного пятна составляет 3-5 мм;

- Контактные провода  уже припаяны на заводе к электродам, что гарантирует высокую надежность соединения и упрощает процесс подключения лазерной трубки.

Режимы резания лазерных трубок LASEA

Режимы резания лазерных трубок LASEA

Производитель

LASEA EFR LASER

Модель

CL800

Мощность номинальная, Вт

40

Мощность максимальная, Вт

50

Номинальный рабочий ток, мА

20

Максимальный рабочий ток, мА

20

Напряжение розжига, кВ

14

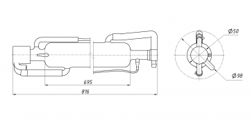
Длина, мм

800

Диаметр, мм

50

Тип газовой смеси

CO2-N2-He

Длина волны, нм

10,6

Тип охлаждения

Жидкостное

Рекомендуемая охлаждающая жидкость

Дистиллированная вода

Минимальная скорость потока, л/мин

2-5

Наработка, в часах

3 000 (при рабочем токе ≤20 мА)

Рекомендуемые источники питания

PS-T60, MYJG-40 40W, MYJG-50W

Размер упаковки (ДхШхВ)

1,0х0,2х0,2м

Вес нетто, кг

2