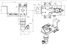
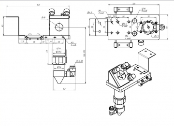
Лазерная голова JN 50,8/63,5/101,6 мм

Количество:
Цена: 5 320 руб.
Код товара: 6740

Лазерная головка служит для передачи и формирования лазерного излучения в рабочую зону станка. Поддерживает установку фокусирующих линз диаметром 20 мм с фокусным расстоянием 50.8, 63.5  и 101.6 мм и отражающих зеркал диаметром 25 мм. Имеется возможность подачи сжатого воздуха в сопло лазерной головки для охлаждения и защиты фокусирующей линзы. Имеются монтажные пластины для соединения с зубчатым ремнем типа 3М-15.