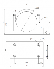
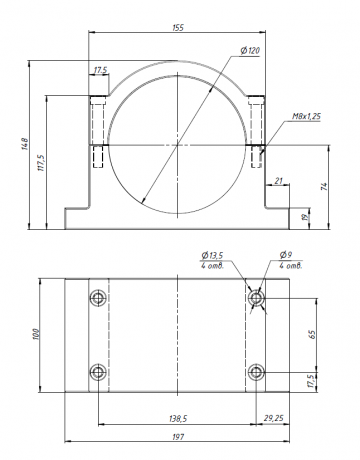
Кронштейн (держатель) для шпинделя 120 мм

Количество:
Цена: 4 500 руб.
Код товара: 1143

Алюминиевый кронштейн для фиксации шпинделя с цилиндрическим корпусом диаметром 120 мм на вертикальной оси гравировально-фрезерного станка.