Крепление шпинделя D100-AL

Цена: 17 500 руб.
Код товара: 17488

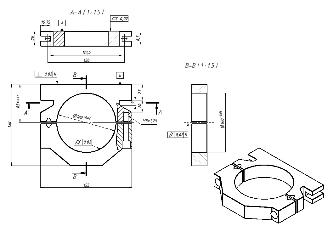
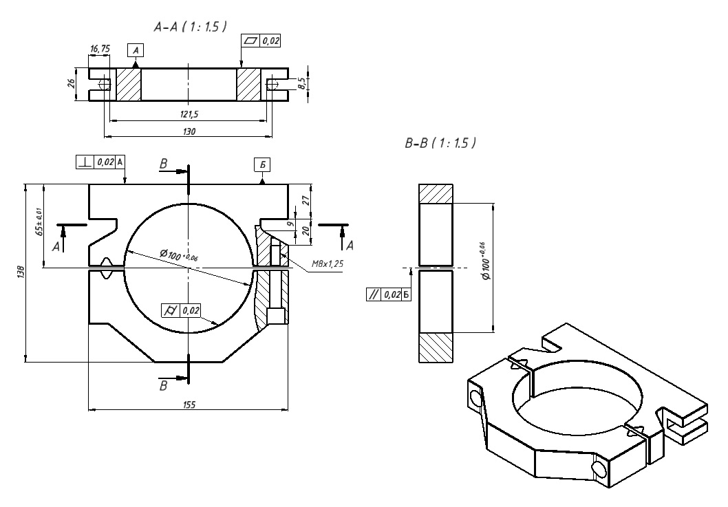
Крепление шпинделя выполнено в виде двух алюминиевых хомутов, изготовленных путем механической обработки, с соблюдением параллельности поверхностей и соосности отверстий.

Крепление шпинделя 1Крепление шпинделя 2

Преимущества данных креплений:

1. Высокая точность.

Данные крепления в отличие от стандартных литых хомутов изготовлены путём механической обработки. Поэтому они имеют точную геометрию, благодаря чему минимизируется деформация корпуса, а ось шпинделя будет точно ориентирована вдоль траектории перемещения станка.

2. Жесткость.

Поскольку крепление состоит из двух хомутов, их можно разнести на максимальное расстояние, значительно превышающее высоту обычного монолитного хомута. За счёт этого шпиндель жёстче удерживается на вертикальной бабке и меньше деформирует её при нагруженной обработке.

Крепление шпинделя 3 копия

Отличающиеся размеры

Новое крепление

Обычное крепление

D100

D105

D110

D100

D105

D110

L1, мм

130

150

150

167

L2, мм

155

171

176

185

H1, мм

от 89 до 155*

82,5

85,5

100

                                                *ограничено конструкцией шпинделя

3. Регулируемое расстояние между хомутами.

Также наличие двух хомутов позволяет устанавливать шпиндели с разными высотами корпусов благодаря регулировке расстояния между ними.

4. Компактные размеры.

Крепления имеют значительно меньшие размеры с сравнении со стандартными монолитными хомутами. В результате с помощью этих креплений можно установить шпиндели мощностью до 4,5 кВт с цанговым патроном ЕR32 на то же посадочное место, что и шпиндели мощностью 2,2 кВт с цангой ER20.

Крепление шпинделя 4 копия

 5. Автосмена.

У креплений для шпинделей с автосменой инструмента имеется возможность установки пневмоцилиндров марки MAL 25x100 для задействования автоматической щетки пылеудаления.

Крепление шпинделя 5

Алюминиевые хомуты крепятся к пластине нужной оси с помощью болтов М8х45 с шайбой (4 шт.). Каждый хомут фиксируется двумя болтами, установленным через отверстие в хомуте и соответствующее отверстие в пластине. Перед монтажом убедитесь в правильной ориентации хомутов относительно оси. Хомуты между собой стягиваются винтами М8х45.

Крепление шпинделя 6

Уважаемые клиенты и гости!

Рады сообщить, что начиная с 22.12.2025 года, наш сайт обновился и стал еще более ярким и удобным.

Ждем вас по адресу https://cnctechnology.ru

Если у вас был личный кабинет на этом сайте, то он автоматически перенесен на новый сайт. Единственное отличие, что для входа в личный кабинет на новом сайте в качестве логина нужно указать адрес электронной почты, с которой вы регистрировались.

С уважением,
Команда «ООО ЧПУ Технологии»