Комплект 4 ШД с энкодером HBS86H+86HSE8.5N +400w

    Шаговые сервоприводы с энкодером занимают промежуточное положение между обычным шаговым двигателем и сервоприводом. При высокой надежности и функциональности данная схема является более дешёвой и простой в эксплуатации и настройке, чем сервоприводы, реализованные на базе синхронных электродвигателей. Благодаря простоте настроек и обслуживания, а также наличию инкрементального энкодера, такой тип сервопривода отлично подходит для систем точного позиционирования как малых хобийных устройств, так и для постройки более серьезных механизмов (например станков с ЧПУ).

    Использование шагового двигателя с энкодером позволяет получать обратную связь (скорость и соответственно угловое положение), что дает возможность уйти от основных недостатков шаговых двигателей (пропуски шагов), а так же получить большую максимальную скорость и момент при работе. Более того, при использовании данного типа двигателей, повышается точность позиционирования, поскольку разрешающая способность энкодеров может достигать 1-2 тысяч импульсов на оборот, при этом положение вала двигателя контролируется “физическими” рисками на диске энкодера, нежели “аппаратно” при работе без энкодера. Еще немаловажным фактором является безопасность в ходе работы и эксплуатации оборудования с шаговыми серводвигателями. Так как положение вала двигателя постоянно отслеживается контроллером, то в нештатных ситуациях, при которых произойдет непредвиденный останов вала двигателя (например, подвижный механизм, управляемый данный двигателем, уперся в какую-либо преграду) прекратиться вращение вала двигателя и будет выдан сигнал аварии. Благодаря этому исполнительный механизм останется целым.

Комплект состоит из четырех шаговых двигателей с энкодером 86HB250-118, четырех драйверов HBS86H, четырех блоков питания 400 Вт и кабелей для подключения энкодера.

Драйвер HBS86H

Особенности:

1. Точное позиционирование  и отсутствие пропуска шагов

2. Быстрая реакция и идеальное ускорение, высокий крутящий момент на высокой скорости

3. Автоматическая регулировка тока в зависимости от нагрузки, снижение температуры

4. Защита от перегрузки по току и перенапряжения 

5. Частота импульсного отклика может достигать 200 кГц

6. Выбор из 16 видов микрошагов, максимальный 51200 шагов/об.

7. Диапазон напряжения: DC24V ~ 100V

Драйвер:

напряжение ток частота протокол
DC 24-100В 8,2А 0~200Гц PUL/DIR

БП:

напряжение мощность
DC 60В 400Вт

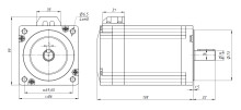
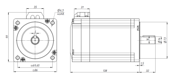
Шаговый серво-двигатель 86HB250-118

Число фаз 2
Фланец, мм 86 (NEMA 34)
Угловой шаг 1,8°
Ток, А 6
Сопротивление/ фаза, Ом 0,5
Индуктивность/фаза, мГн 4,6
Момент удержания, Н.м 8,5
Диаметр вала, мм 14
Длина двигателя (с энкодером), мм 136
Наличие энкодера Да
Количество имп/об 1000
Рабочая температура (max), °С 80°
Температура окружающей среды, °С -20°С~+50°С

Драйвер HBS86H

Напряжение питания, В 24-100VDC
Максимальный выходной ток, А 8,2
Частота входного сигнала, кГц 0-200
Ток входного сигнала, мА 7-16
Деление шага 1:256

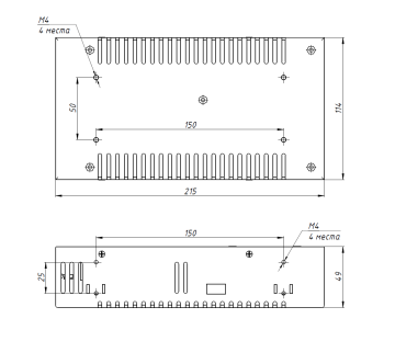
Импульсный блок питания S-400-60

Напряжение питания, В 220
Выходное напряжение, В  60VDC
Мощность, Вт 400
Выходной ток, А 6,7