Комплект Сервопривод+Драйвер YASKAWA 400W SGM7J-04AFC6S+SGD7S-2R8A 00A002

Количество:
Цена: 104 920 руб.
Нет в наличии
Код товара: 3198

YASKAWA  SGD7S-2R8A 00A002

Комплект, состоящий из сервопривода и драйвера, предназначен для установки на передвигаемые узлы, где требуется высокая точность и надежность. Управление серводрайвером осуществляется через аналоговый сигнал, либо через подачу управляющих импульсов.

Входное рабочее напряжение силовой цепи

 1-ф VАС200-240

Входное рабочее напряжение цепи управления

 1-ф VАС200-240

Входная рабочая частота, Гц

50

Входной рабочий ток силовой цепи, А

5

Потребляемая мощность цепи управления, кВА

1,2

Выходное рабочее напряжение

3-ф 0-240В

Выходной рабочий ток, А

2,8

Выходная рабочая мощность, кВт

0,4

Метод управления

PUL/DIR
CW/CCW

Analog Voltage

Управление

Скоростью
Положением
Моментом

Степень защиты

IP10

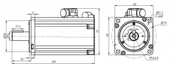
YASKAWA SGM7J-04AFC6S

Сервомотор серии SGM7J имеет среднюю инерцию ротора и высокую скорость

Мощность, кВт

0,4

Напряжение, В

АС200

Инкрементальный энкодер

24 bit

Конец вала

прямой вал со шпоночным пазом

Рабочий момент, Нм

1,27

Рабочий ток, А

2,5

Рабочая скорость, об/мин

3000

Максимальная скорость, об/мин

6000

Постоянная крутящего момента, Нм/А

0,544

Инерция, х10-4кг*м2

0,486

Защита

IP67

Подписка на товар