PBS-28B-W, Кнопка антивандальная OFF-(ON) (22 мм) (2A 250VAC) IP66

Количество:
Цена: 230 руб.
Код товара: 10017

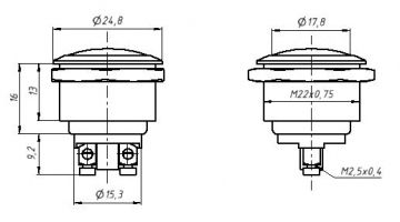
Кнопка антивандальная надежно фиксируются в отверстии при помощи резьбового соединения, а монтаж проводников осуществляется под винт или пайку. Посадочный диаметр: Ø22 мм.

Номинальное напряжение: 250 В.

Номинальная сила тока: 2 А.

Контактное сопротивление: 20 мОм

Сопротивление изоляции: 100 МОм

Рабочая температура: -25…+85°С

Расшифровка маркировки для кнопок антивандальных PBS-28B: PBS   28   B PBS – Push-button switch (кнопочный переключатель). 28 – Номер продукта. В – Алгоритм работы: OFF-(ON), без фиксации.