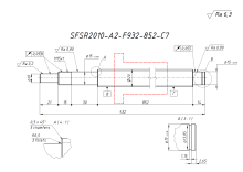
Винт+ гайка SFSR2010-A2-F932-852-C7

Количество:
Цена: 9 800 руб.
Код товара: 12269

Шарико-винтовая передача - разновидность передачи винт-гайка для преобразования вращательного движения вала в поступательное движение. За счет применения шарикоподшипников КПД этого вида передачи достигает 98%.

Готовый комплект ШВП (винт + гайка) SFSR2010-A2-F932-852-C7 с обработанными концами под подшипники и муфту. Он не требует дополнительной подгонки: Гайка ШВП SFS 2010-3.8 надета на винт, нанесена смазка. 

Совместимость с опорами ходовых винтов: BF-15, BK-15, FF-15, FK-15, EK-15, EF-15.

Номинальный диаметр, мм: 20
Ход резьбы, мм: 10
Шаг резьбы, мм: 5
Общая длина винта, мм: 932
Рабочая часть винта, мм: 852
Число заходов резьбы: Двузаходная
Направление: Правая резьба
Класс точности: C7
Погрешность: 0,05 мм на 300 мм хода
Диаметр шариков, мм: 3,175