ФРЕЗА НАСАДНАЯ\ТОРЦЕВАЯ KM12-125-40-6T

Количество:
Цена: 9 800 руб.
Код товара: 11924

Фреза насадная\торцевая KM12-125-40-6T по металлу применяется для фрезерования плоскостей, расположенных под прямым углом к оси фрезы. Торцевые фрезы обеспечивают при обработке больших открытых плоскостей более высокую производительность процесса, чем цилиндрические фрезы.

Благодаря углу в плане 45º у торцевых фрез улучшается качество поверхности обрабатываемого материала, увеличивается подача, а также стойкость и производительность обработки.

Технические характеристики:

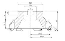
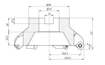
Рабочий диаметр фрезы (D) 125 мм
Диаметр хвостовика (d) 40 мм
Общая длина (L) 63 мм
Рабочая высота (H) 12 мм
Угол фрезы/пластины 45º
Количество зубьев 6
Тип пластин
  • SEKT 1204
  • SEMT 1204
  • SEHT 1204

Внимание!!! Твердосплавные пластины в комплект не входят