ФРЕЗА НАСАДНАЯ\ТОРЦЕВАЯ EAP400R-50-22-42M-3T-9P CNC

Количество:
Цена: 15 500 руб.
Код товара: 11378

Фреза насадная\торцевая многорядная "кукуруза" EAP400R-50-22-42M-3T-9P со сменными пластинами предназначена для высокопроизводительного чернового фрезерования уступов, пазов, торцевого и контурного фрезерования. Винтовое расположение режущих пластин и наличие стружечных канавок обеспечивают плавный процесс резания.

Технические характеристики:

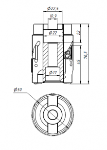
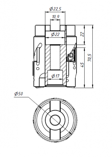
Рабочий диаметр фрезы 50 мм
Диаметр хвостовика  22 мм
Длина рабочей части 45 мм
Общая длина 70,5 мм
Количество зубьев 3
Угол фрезы/пластины 90º
Количество пластин 9
Тип пластин
  • AP*T1604

Внимание!!! Твердосплавные пластины в комплект не входят