Энкодер ZSP3806GF 24v 500P/R

Количество:
Цена: 3 800 руб.
Код товара: 14445

Оптический энкодер "превращает" вращение в данные. Его задача — измерять положение, скорость или угол поворота объектов.

Используются везде, где требуется точный контроль за движением. От заводских конвейеров до высокоточных роботов, от автомобилей до медицинских аппаратов — везде, где надо знать, как движется объект, оптический энкодер становится ключевым элементом. Его используют там, где важна максимальная точность и надёжность в управлении процессами.

Энкодеры с выходом "двухтактный каскад" (push-pull) более универсальны - их можно использовать как в схемах с общим минусом, так и в схемах с общим плюсом.

Напряжение питания 5~24В
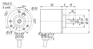
Количество импульсов на оборот 500
Максимальная скорсть 3000 об/мин
Выходной сигнал Двухтактный каскад
Вал 6 мм
Интерфейсный кабель Сбоку