Преобразователь NPN-PNP

Количество:
Цена: 840 руб.
Код товара: 12432

PLC сигнал NPN к PNP высокоуровневый и низкоуровневый чувствительный переключатель подходит для переключения фотоэлектрических бесконтактных переключателей различных волоконно-оптических усилителей, что является экономичным и простым в использовании. 

Технические характеристики От NPN к PNP
Индикатор действия Питание: зеленый светодиод
Выход: красный светодиод
Напряжение  10-30В постоянного тока
Защита от короткого замыкания Защита от полярности, защита от перенапряжения, защита от перегрузки по току, защита от обратного подключения
Ток нагрузки Макс. 300 мА
Время отклика  1 с
Рабочая температура -25℃-75℃
Степень защиты  IP67
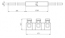
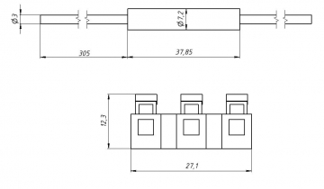
Тип подключения  3 провода (коричневый, синий, черный) на обоих концах провода длиной 35 см
Материал оболочки Нержавеющая сталь