Оптический датчик E3Z-D61 2M

Количество:
Цена: 2 000 руб.
Код товара: 14460

Основное преимущество использование оптического датчика заключается в том, что материал на который срабатывает датчик может быть практически любым, однако стандартное расстояние срабатывания указано для белого матового листа бумаги размером не менее 100x100mm и будет сильно отличаться в зависимости от материала, так, к примеру, для поверхностей имеющих высокую отражающую способность это расстояние будет сильно больше и наоборот меньше для материалов поглащающих свет таких как темный пористый материал. 

Подобные датчики используются для определения наличия детали на поверхности и их чувствительность настраивается на определенные условия (материал, тип поверхности, окружающее освещение и прочее).

Основные характеристики датчика

Модель

E3Z-D61 2M

Тип датчика

Оптический инфрокрасный

Напряжение питания

8-24 VDC

Максимальный ток выхода

200 мА

Полярность выхода

NPN

Состояние выхода

NO/NC

Дистанция срабатывания

30-200 мм для

белого матового листа бумаги

размером 100x100мм

Регулировка чувствительности есть
Переключатель Dark\Light есть

Индикация срабатывания

есть

Защита от неправильного подключения питания

есть

Длина провода

200 см

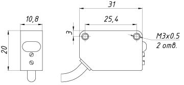
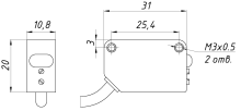
Размеры (диаметр х длина)

12х75мм