USB-RS485

Количество:
Цена: 2 420 руб.
Код товара: 6142

Подробно с руководством по настройке можете ознакомиться здесь

http://wcnc.ru/index.php?title=Modbus

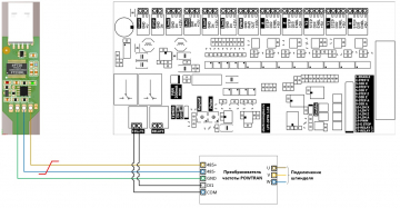
Для организации связи между ПК и ПЧ необходим конвертер USB to RS-485, так как на компьютере зачастую отсутствует интерфейс RS-485.

Нашей компанией был произведен данный прибор на базе микросхемы FTDI FT232 и MAX485. Благодаря данным компонентам конвертер работает стабильно и без нареканий. Предназначен для подключения ПК к промышленным компонентам и автоматизированным системам, а также используется при управлении ПЧ.


Конвертер USB to RS-485

На борту данного устройства расположились 5 контактных площадок (+5V, GND, 485-, 485+, «пайка-пермычка» (площадка для впаивания перемычки)).

– +5V/GND вывода питания (если необходимо; GND используется при 3-х проводной схеме подключения)

– К контактам 485-/+ подпаиваются сигнальные провода

– «пайка-перемычка» используется для подключения 120 Ом резистора параллельно сигнальным выводам 485-/+ (используется в основном при большой длине кабеля)

Для надежной работы системы необходимо использовать кабель с витыми парами и экраном, а так же ,в случаи сильных помех из вне, используйте трехпроходную схему подключения.

Powtran Pi9000, Pi500
ПараметрОписаниеЗаводские значенияНеобходимые значения
F0.02 Дискретность задания частоты = 0,1 Гц 2 1
F0.03 Источник задания частоты = с лицевой панели
(да на данном ПЧ управление через порт работает с такой выставкой параметра)
1 0
F0.11 Источник команд управления = команды через коммуникационный порт 0 2
F9.00 Скорость передачи данных = 9600 кБод 6005 6005
F9.01 Формат данных = 8-N-1 0 0
F9.02 Порядковый номер ПЧ = 1 1 1
F9.05 Формат передачи данных = стандартный протокол MODBUS 31 31
Powtran Pi130
ПараметрОписаниеЗаводские значенияНеобходимые значения
F0.02 Источник задания частоты = с лицевой панели
(да на данном ПЧ управление через порт работает с такой выставкой параметра)
0 0
F0.04 Источник команд управления = команды через коммуникационный порт 0 2
F9.00 Скорость передачи данных = 9600 кБод 3 3
F9.01 Формат данных = 8-N-1 1 0
F9.02 Порядковый номер ПЧ = 1 1 1
F9.05 Формат передачи данных = стандартный протокол MODBUS 0 1
Sunfar E550
ПараметрОписаниеЗаводские значенияНеобходимые значения
F0.00 Источник задания частоты = через коммуникационный порт 3 2
F0.02 Источник команд управления = команды через коммуникационный порт 1000 1002
F4.00 Коммуникационные данные = 9600 кБод , 8-N-1стандартный протокол MODBUS 0114 0104
F4.01 Порядковый номер ПЧ = 1 1 1