RNR Ethernet

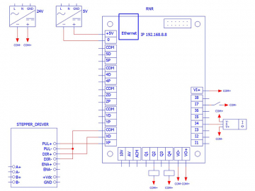
RNR Ethernet - это внешний аппаратный Ethernet-контроллер для управления системами ЧПУ через компьютер с помощью программы Mach3. Поддерживаются 4 независимые оси перемещения. В отличие от USB, соединение Ethernet использует дифференциальный сигнал и очень устойчиво к помехам, благодаря встроенной трансформаторной гальванической развязке, а также позволяет размещать контроллер на значительном расстоянии от ПК.

Максимальная частота дискретизации

(частота сигнала STEP)

200 кГц

Интерфейс подключения

Ethernet (LAN)

Поддерживаемые программы

Mach3

Поддержка операционных систем

Windows XP и 7 (версий х32 и х64)

Число поддерживаемых осей

4

Количество выходов

4

Количество входов

8

Напряжение питания

5 В

Габариты

103х90х18 мм