Червячный Редуктор Nema42 NMRV 110 1:5

Количество:
Цена: 11 940 руб.
Код товара: 14280

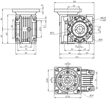
Червячный редуктор серии NMRV-50 с входным фланцем NEMA 42. В выходное отверстие редуктора устанавливается вал, с выходом на одну или две стороны, в зависимости от необходимости. Червячные редукторы имеют компактные размеры, низкий уровень шума, обладают эффектом самоторможения, но при этом имеют люфт выходного вала и повышенный нормальный износ передачи. Редукторы такого типа используются для конвейеров, подъемников, механических мешалок, насосов, приводов ворот, станков для обработки металла и дерева, где нет больших ударных нагрузок и невысокая периодичность включения.

Выходной вал в комплект не входит.

Модель: NMRV-50
Передаточное отношение: 5:1
Тип редуктора: червячный
Входной фланец, мм: 110 мм (NEMA 42)
Диаметр отверстия под вал двигателя, мм: 19 мм
Выходное отверстие, мм: 25 мм
Крутящий момент выходного вала, Н*м: до 82
Люфт: не более 1,2°
КПД, %: 89
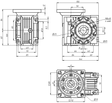
Выходной вал: NMRV50 односторонний
NMRV50 двусторонний