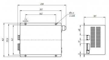
Блок высокого напряжения BR-60 60W

Блок высокого напряжения BR-60 60W — это специализированное устройство, предназначенное для обеспечения стабильного и контролируемого питания лазерных трубок и других высоковольтных компонентов в CO2-лазерных станках.

Особенность

1. Для управления и регулирования выходной мощности лазера используются как аналоговые сигналы от 0 до 5 В, так и сигналы PWM.

2. Источник питания отличается высокой эффективностью и быстрой реакцией благодаря полумостовой схеме плавного переключения с нулевым током. Таким образом, можно легко взаимодействовать с большинством лазерных трубок co2 мощностью 60 Вт.

3. Имеется хорошая защита от заземления. Благодаря усовершенствованной защите от разомкнутой цепи источник питания может работать в режиме разомкнутой цепи в течение короткого времени, что позволяет избежать повреждения источника питания, вызванного разрывом лазерной трубки.

4. Управление терминалом простое и адаптировано к сигналам высокого и низкого уровня. Уровень TTL можно использовать для управления запуском и остановкой мощности лазера.

5. Для охлаждения в источнике питания используется один вентилятор PCS.

Входная мощность

Входное напряжение

220 В±10%

Частота переменного тока

47 ~ 440 Гц

Максимальная входная мощность

490 Вт

Максимальный входной ток

2.2A

Выход

Максимальное выходное напряжение

25 КВ

Максимальный выходной ток

28 мА

(в зависимости от лазерных трубок разных производителей)

Эффективность

Более 90% (полная нагрузка)

Скорость отклика

Не более 1 мс

Интерфейс управления

Многоуровневое управление переключением TTL, эффективный уровень может быть высоким или низким (см. Схему управления).

Изоляция

вход-выход

Переменный ТОК 1500 В 1 минута не более 10 мА

вход-оболочка

Переменный ТОК 1500 В 1 минута не более 10 мА

Выход-shell

Подключение

Защита от обрыва цепи

Может произойти короткое замыкание (требуется хорошая оболочка заземления, при этом следует избегать контакта положительного электрода и оболочки между дугой)

Требования к охране окружающей среды

Рабочая температура

-10℃~50℃

Сохранение температуры

-20℃~75℃

Относительная влажность

Максимальная относительная влажность 85% (без конденсации)

Высота над уровнем моря

100 000 футов работы

200 000 футов хранилища, доза не работает

Методы охлаждения

Принудительное воздушное охлаждение (вентиляторное охлаждение)