E8-40x32 Держатель инструмента VDI, двойной, левый

Количество:
Цена: 27 530 руб.
Нет в наличии
Код товара: 16538

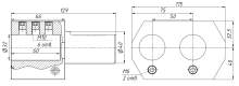
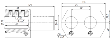
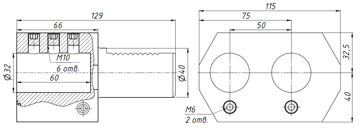
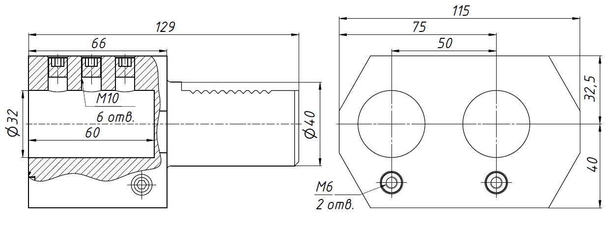
Двойной держатель VDI тип E8 левого исполнения предназначен для закрепления режущего инструмента с цилиндрическим хвостовиком диаметром 32 мм. Размер хвостовика держателя VDI40. Держатель используется преимущественно для фиксации расточных резцов и другого осевого инструмента, где используется наружная подача СОЖ.

Держатель инструмента стандарта VDI взаимозаменяемый и совместим с оборудованием любых производителей. Это значительно ускоряет процесс замены и наладки инструмента.

Для установки режущего инструмента с различными посадочными диаметрами используются переходные втулки, что значительно расширяет технологические возможности станка.

Тип держателя:

Стационарный

Серия держателя:

E8

Посадочный диаметр:

32 мм

Размер хвостовика VDI:

40

Исполнение:

Левое

Подписка на товар