E2-40x32 Держатель инструмента VDI для расточных резцов, аксиальный

Количество:
Цена: 11 330 руб.
Код товара: 16596

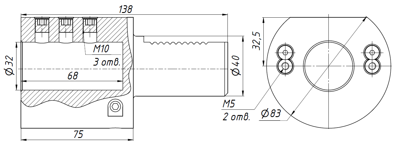
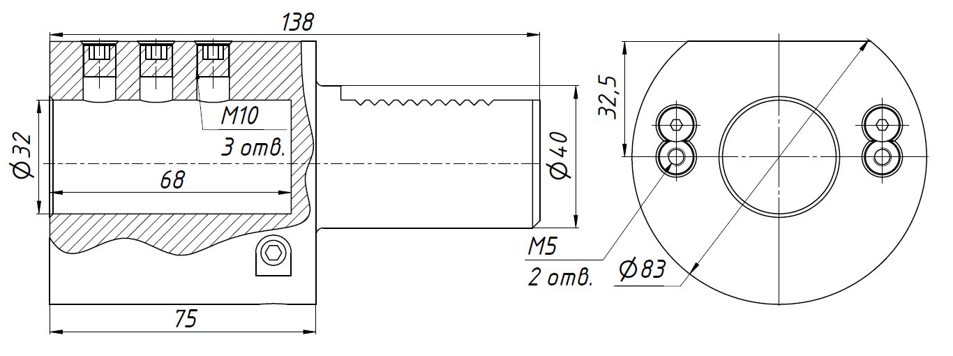
Держатель VDI тип E2 предназначен для закрепления режущего инструмента с цилиндрическим хвостовиком диаметром 32 мм. Размер хвостовика держателя VDI40. Держатель используется преимущественно для фиксации расточных резцов и другого осевого инструмента, где используется наружная подача СОЖ.

Держатель инструмента стандарта VDI взаимозаменяемый и совместим с оборудованием любых производителей. Это значительно ускоряет процесс замены и наладки инструмента.

Для установки режущего инструмента с различными посадочными диаметрами используются переходные втулки, что значительно расширяет технологические возможности станка.

Тип держателя:

Стационарный

Серия держателя:

E2

Посадочный диаметр:

32 мм

Размер хвостовика VDI:

40

Исполнение:

Нейтральное