Держатель расточного инструмента BMT55-B6040 105х86х90, стационарный, осевой (B554060)

Количество:
Цена: 14 060 руб.
Нет в наличии
Код товара: 14008

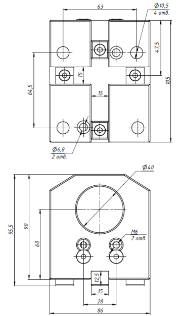
Стационарный держатель инструмента BMT55-B6040 представляет собой инструментальный блок, предназначенный для закрепления в нем резцов, державок и другого инструмента с цилиндрическим хвостовиком диаметром 40 мм в осевом направлении к заготовке. Ось зажимаемого инструмента расположена на расстоянии 60 мм от основания блока. Блок фиксируется в револьверной головке BMT станка с помощью четырех винтов.

Стационарный держатель инструмента BMT55-B6040 предусматривает подвод смазочно-охлаждающей жидкости к инструменту через блок с помощью форсунок.

Инструментальный блок BMT55-B6040 применяется в токарных станках с ЧПУ, а также совместим со станками таких фирм, как: DOOSAN, Hardinge, Samsung (SMEC ), HYUNDAI WIA, Victor, HWACHEON, JYOTI.

В комплект входит:

Блок BMT55-B6040 – 1 шт.

Крепежные винты – 4 шт.

Задняя планка – 1 шт.

Уплотнительное кольцо для задней планки – 1 шт.

Винты для задней планки – 4 шт.

Трубки для подачи СОЖ от форсунок– 2 шт.

Кольца уплотнительные для подачи СОЖ – 2 шт.

 

Подписка на товар