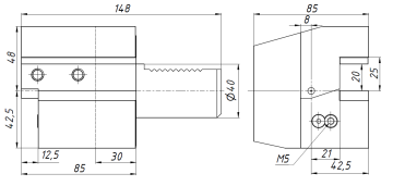
C3-40x25x85 Держатель инструмента VDI аксиальный перевернутый, правый

Количество:
Цена: 14 100 руб.
Код товара: 15394

Резцедержатель VDI тип C3, аксиальный обратный, правый. Размер хвостовика оправки VDI40. Используется для наружной токарной обработки. Базовая опорная поверхность расположена выше оси центров, резец устанавливается пластиной вниз. Для резцов с прямоугольным сечением высотой 20/25 мм (с проставкой 20 мм, без проставки 25 мм).

Держатель инструмента стандарта VDI взаимозаменяемый и совместим с оборудованием любых производителей. Это значительно ускоряет процесс замены и наладки инструмента.

Тип держателя:

Стационарный

Серия держателя:

C3

Исполнение:

Правое