блок держатель расточного инструмента BMT45-C6020 75х110х60

Количество:
Цена: 15 710 руб.
Код товара: 15522

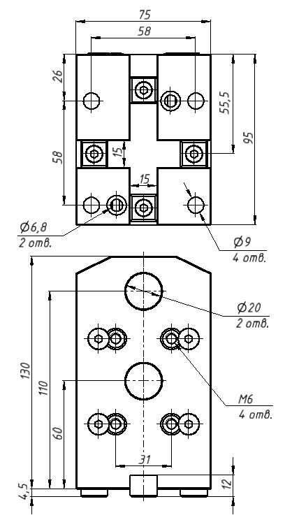
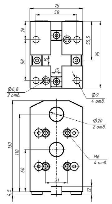
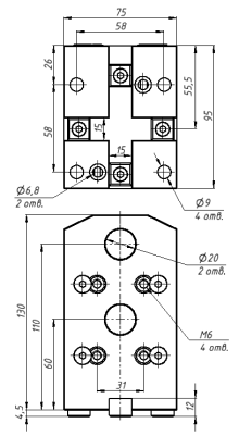
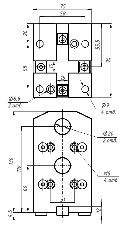
Стационарный двойной держатель инструмента BMT45-C6020 75х110х60 представляет собой инструментальный блок, предназначенный для закрепления в нем резцов, державок и другого инструмента с цилиндрическим хвостовиком диаметром 20 мм.

Инструмент зажимается в осевом направлении к заготовке на расстоянии 60 мм и 110 мм от основания блока. Блок фиксируется в револьверной головке BMT станка с помощью четырех винтов.

Блок BMT оснащен внутренними каналами для подачи смазочно-охлаждающей жидкости в зону резания с помощью форсунок.

Инструментальный блок BMT применяется в токарных станках с ЧПУ, а также совместим со станками таких фирм, как: DOOSAN, Hardinge, Samsung (SMEC), ACCUAWAY, SPINNER, Victor, NEXTURN, JYOTI.

В комплект входит:

Блок BMT45-C6020 75х110х60 – 1 шт.

Крепежные винты – 4 шт.

Трубки для подачи СОЖ от форсунок – 4 шт.

Кольца уплотнительные для подачи СОЖ – 2 шт.