Блок высокого напряжения SPT-40 40W

Блоки высокого напряжения SPT имеют компактную конструкцию, небольшой вес и просты в использовании. Источник питания лазера хорошо подходит для лазерных трубок CO2 и обеспечивает низкий пусковой ток и напряжение, быструю реакцию и высокую эффективность фотоэлектрического преобразования.

Блоки высокого напряжения SPT обеспечивают повышенную стабильность, длительный срок службы и защиту от обрыва цепи, что помогает предотвратить повреждения, вызванные холостым ходом.

Для гарантированной стабильной работы лазерной трубки и блока розжига необходимо использовать компоненты с одинаковой номинальной мощностью.

Не допустимо использовать трубку большей мощности чем блок!

Модель SPT-40 40W
Номинальная мощность 400 Вт
Входное напряжение 220В/110В
Входная частота 47~440 Гц
Выходное напряжение 16~30кВ
Выходной ток 6~24 мА
Время переключения режимов ≤1ms
Среднее время наработки на отказ ≥30 000 часов
Защита от обрыва цепи Да (на короткое время)
Охлаждение Воздух
7-секундный тест питания 500 раз
Среда Рабочая температура: -10℃~40℃ , относительная влажность: ≤85%
Выдерживаемое напряжение Вход-выход, вход-корпус: AC1500Вт 10мА 60с; Выходной отрицательный полюс подключен к корпусу
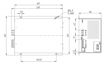
Размер 197мм×161мм×92мм