СМАЗОЧНЫЙ МОДУЛЬ SL-GH15-E2

Количество:
Цена: 680 руб.
Нет в наличии
Код товара: 11867

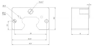
Смазочный заправляемый модуль SL-GH15-E2 предназначен для автоматической смазки линейных модулей GHH15/GHW15. Модуль устанавливается на торец каретки, имеет в конструкции резервуар для консистентной смазки.

Конструкция осуществляет автоматическую смазку рельс в четырёх точках за счет капиллярной подачи масла.

Преимущества:

- Длительное использование и отсутствие затрат на техническое обслуживание

- Использование оптимального количества смазки предотвращает ее перерасход

- Легкость монтажа и демонтажа, отсутствие ограничений по установке

- Использование в условиях особой запыленности, загрязненности и влажности

- Выбор различных видов смазки

- Модули допускают установку на аналогичные каретки производителей HIWIN, HSAC, TBI, THK, STAF и т. д.

Сменный картридж может заполняться любым маслом, которое соответствует техническим требованиям экслуатации. Возможно использование консистентной смазки для использования в условиях особой запылённости, загрязнённости или влажности. Рекомендуемая вязкость смазки 30-150 cSt.

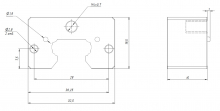
Технические характеристики:

Тип:

Блок смазки

Типоразмер:

15

Объём консистентной смазки,см3:

1

Совместимость:

Каретки HSAC серии GH

Каретки HIWIN серии HGH

Каретки HIWIN серии HGW

Каретки серии HGH

Каретки серии HGW

Каретки серии HG-GB

Размеры (ДхШхВ), мм:

32.5 х 15 х 19.5

Подписка на товар